■Transportation System MENU TOP

Applications
Features

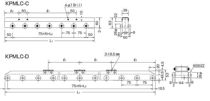
| Stock No. | Model | Dimensions (mm) | The Number of Tapped Hole |
Weight(kg) | |||
|---|---|---|---|---|---|---|---|
| L1 | L2 | ℓ1 | ℓ2 | N | |||
| S962401 | KPMLC3・50A | 500 | 450 | - | - | 6 | 6.5 |
| S962402 | KPMLC3・110A | 1100 | 1050 | 14 | 14.0 | ||
| S962411 | KPMLC3・50B | 500 | 450 | 6 | 8.0 | ||
| S962412 | KPMLC3・110B | 1100 | 1050 | 14 | 17.5 | ||
| S962421 | KPMLC3・55C | 550 | 450 | 190 | 115 | 6 | 4.6 |
| S962422 | KPMLC3・100C | 1000 | 900 | 490 | 12 | 9.0 | |
| S962431 | KPMLC6・182D | 1825 | 1800 | 700 | 312.5 | 24 | 28.0 |
| S962432 | KPMLC6・220D | 2200 | 2175 | 850 | 250 | 29 | 34.0 |