Applications
Features

Do not lift up elongated workpiece (over 2m) of which thickness is less than 9mm. There is a risk of falling load due to air gap generated by deflection by the load’s own weight.
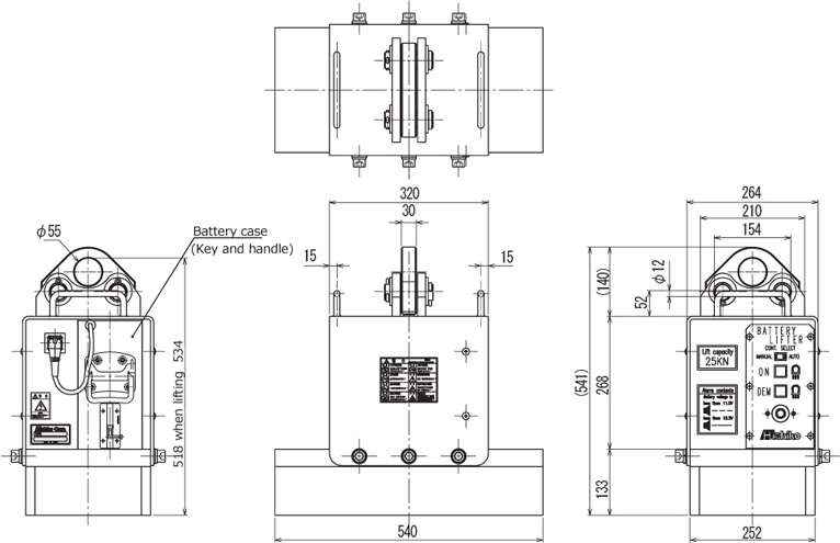
◇Specifications
| Stock No. | S960621 |
| Lifting Capacity | 25KN (2.5tonf) ※ SS400、 |
| Rated Voltage | DC 12V |
| Rated Current | 5.8A |
| Duty Cycle | 50%ED (1cycle 10min) |
| Weight | About 140 kg |
| Safety alarm buzzer | Alarm buzzer 2-step notice 1st step DC11V: Long intermittent sound 2nd step DC10.5V: Short intermittent sound |
| Operating instruction | Automatic/Manual changeover system |
| Battery | 44B19R (Battery charger is separately sold) |
| Accessory | Hydrometer 1set |
Option
| Simplified "RELEASE" Function | Shackle & Master link | Safety guard | |
![]() |
One can separate the over-held work in the process by remote control unit. This makes single work transportation easy. |
![]() |
![]() with Safety Guard |
| Battery charge | |||
![]() HC12-5C(EB) |
|||
※High performance cycle service battery is available as an option. Please contact us.